开启DIY创作之旅:
虽然自己有很多想法,打算做各种东西,但是由于各种原因一直也都没有实现
最近偶然在网上看到网友用DVD光驱改造的激光雕刻机,一下子就把我给吸引住了,于是乎就决定自己也要动手做一个,然后就有了今天这个作品,用了网络上流的典型的控制器和上位机;虽然有些地方没有做到自己计划的好,但是自我感觉该作品还是做的比较好的,该作品断断续续做了一下午(材料齐全),期间也遇到不少麻烦事,但是功夫不负有心人,终于整体调试成功,到目前为止没有出现任何异常问题!接下来,我将为大家分享一下我的制作过程。
看下整体效果视频吧!
这里要注意一下,并不是所有的材料都可以雕刻的,一般选用深色的东西比较好,也就是要吸光的东西,木板是最好的材料,但是我这边没有我就用快递盒的纸片(俗称牛皮纸),其次我发现生活中常用的卡片也是可以的,比如银行卡,只要卡片上有一层喷绘就可以,
是不是感觉很酷,很霸气?如果喜欢就赶紧自己动手做一个吧!
工欲善其事,必先利其器,在制作前我们需要准备一些必要的东西:
一、DVD光驱两台(也就是台式电脑上的光驱,我自己在淘宝上买的10块钱一个)
二、控制器(这里我用的是Arduino UNO R3最小系统)
三、激光头(200mW激光模组,建议买成品,二三十块钱一个)
这里特别提醒一下:
该激光虽然功率不是很大,但是足以烧毁人的眼睛,所以在调试和使用过程中,请千万不要眼睛直视激光,建议自己买一只电焊用的墨镜,普通五金店有卖,这几块钱一定不能省!
四、电源(这里我用的是一个220V转5V/1A 12V/1A双输出的开关电源模块,淘宝上有卖的 二十几块钱一个)
五、继电器模块(用于控制散热风扇,这个可以不要,如果需要单独控制散热风扇的话就加上)
六、散热风扇(12V 建议用40×40的)
七、电源线一条
八、可选配件(电源插座、电源开关、保险座;这些东西如果实在没有也可以不用)
九、工具(一字、十字螺丝刀、美工刀、角尺、电烙铁、胶枪、电钻等等 一些DIY必备工具)
十、铜柱、螺丝、导线、扎带若干;铜柱尺寸自己根据需求选定!
东西准备的差不多了,接下来我们就开始DIY!
首先将两个光驱拆开,注意保护好两个光驱的机架,外壳,塑料支架,其它的东西在这里基本上没什么用!这里我用一个光驱做底座(光驱内部用于固定所有的电路板),另外一个光驱的塑料支架做X轴支架,具体请看下文!
将光驱机架上面的多余东西都拆掉(包括激光头),拆成如图所示的样子就可以了,电机上的PCB软板也给剪掉,这里我直接焊的排母,通过排针连接,方便插拔!
两个机架拆成下图所示的就可以了,然后给固定住,这里我的X轴的机架是通过铜柱固定在后面的光驱盖上的,Y轴(应该是Z轴)的机架也是通过铜柱固定在底壳上的,这个其实很简单,但是要注意一点,固定的时候一定要保持机架横平竖直,不然刻出来的东西是斜的就麻烦了。
光驱前面面板地方我开了个口,装了一个电源开关,右边原有的指示灯和出仓按钮也用上了,接的主控的13口和复位口,也就是说这里的按钮是可以给主控复位的,复位的时候那个LED指示灯会闪烁!但是要注意,这里的指示灯我自己加了100R的限流电阻。
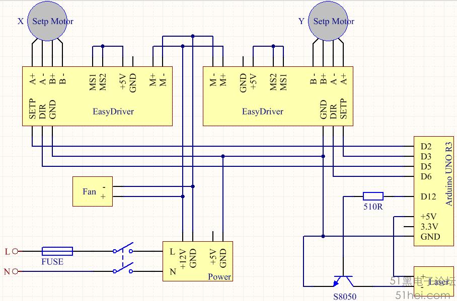
下面是原理图,原理图上面我并没有用继电器去控制散热风扇,而是直接接12V,这里如果您需要单独控制风扇的话只需要接个继电器模块就可以了,另外激光部分需要加三极管驱动,经测试Arduino通过USB驱动的时候电流并不够,所以这里我加了三极管,三极管用9013、S8050都可以,基极电阻我选用的是510R,只要保证激光有270mA左右的电流就可以了,这里基极的电阻建议用5K1电位器代替,可以自己调节来保证激光的电流。


中通 申通 圆通购买单号网www.kuaidzj.com